S҇ĸߌӽ֘ǡꡢe^{ʹҲӣSBLC̎_h(hun)١24hBm(x)\DB(ti)LĴСHͨ^LM{(ji)L늙CĿͨϰٵװǧߣʹ{Lϵy(tng)^BĽIÿҪM~Ŀ{MڬF(xin)еĻAόLϵy(tng)Mй(ji)ܸʹϵy(tng)ܸ(j)ҪMLLЧ(ji)sԴpM
1{Lϵy(tng)(ji)ܝ
ij;ƵƵͷסļ׃ÿղͬĕrg{ϵy(tng)LҪҲͬ˴ڹ(ji)ܸĿԺͿɏׂ}
1.1
{ϵy(tng)Ĺԭ
D1ʾijƵ{ʾD՚ĻLںLM{ϵy(tng)̎O{LTԿMLĴС^VĿ՚^m(x)ǰ՚ͨ^LCȥӝӝĿ՚ȥsӜأS(ji)ˮȻM՚ңٵLM{
D 1ʽ{ϵy(tng)ʾ
Lһ_LCͬrLҕҪԓǿ{ֻܲLɹ(ji)ʡLr՚
1.2LCDL֮ܺgPϵ
LCSݔ빦PcLݔQ͓PH֮gPϵ[2]
P = kQH1
ʽ k 鳣(sh)ʽ1f늙CݔʺӵLCL QP H ȣLCDn ׃rLCݔL Ql(f)׃֮gPϵ
Q2/Q1=n2/n1 2
LCDٺͳLȡLCݔ P Dn Pϵ
P2/ P1=n2/n13 3
ʽ123ҊpLͨ^LCDٌF(xin)LCDٌؽܺģ(ji)Ч@
2(ji)Lϵy(tng)
{(ji)ܸϵy(tng)Ҫ]LC\пƷʽʹÿ_LC\ЕrgM⣬ЧOӋrܿ]NrһĿɔ_׃
2.1LCĿƷ

D 2LC롢гʾ
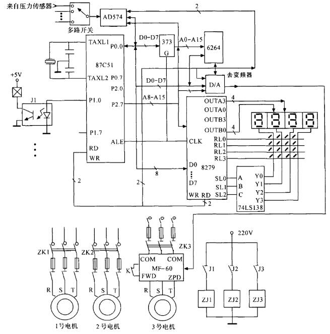
ҪpLĕrЧķǸ׃LCDLCDٿͨ^׃늙CDٌF(xin)ཻ늄әCʹ׃lЧظ׃늙CDö_LCMɵLϵy(tng)@ 3_MD 2 ʾķ팍ʩL{(ji)3_늙CĿʑڵLݔ빦3_늙Cֻ3_ʩ׃l{٣ 12_Թlʽ\D@ӼȿԜp׃lɱܺܺõL{(ji)ĿLϵy(tng)^£Сؓ£ҪC1_늙Clʽ\DԱCСLҪLӕrɰ·ʽ׃\РB(ti)1̖C\L3̖CͶ밴׃lʽ\D_LҪLȻ2̖CͶ\У3̖C׃lʽ\D׃3̖CD_ҪLҪLpٵ^O3_LCͬr\DȽ3̖CĹlʵֵLȻ^г12̖CȽ1_3̖C׃lʽ\DLȻ^3̖CDֱг3̖C
2.2]h(hun)LC׃lϵy(tng)Ę
Ҫ]h(hun)ϵy(tng)ҪڳLڰLԱCLк㶨LyõLrfL^˕rLyõL͕rf˕rLҪӴLzyL̖ͽoֵMб^Դ_L{(ji)]h(hun)LC׃lϵy(tng)ĿDD3ʾݔBm(x){ģM̖{(ji)׃lĹl֮߀Ҫݔ_PԴ_123̖늙CĽcг

D 3LC׃lƽYʾ
2.3OӋ
ҪF(xin)LĿʹLֻ㶨@ÆƬC·D4ʾÔ(sh)a@ʾLĽoIPݔҲλA/ DDQݔڹ܌F(xin)Bm(x)Ҳ܌F(xin)ּBm(x)ƣwͨ^ƌF(xin)

D 4늙C·
3YՓ
{Lϵy(tng)׃l]h(hun)ƺ\з(wn)(ji)Ч@mȻԭеϵy(tng)׃lֻ_LC׃lҪ׃lһHڎʮǧÆƬC·DzҪԭϵy(tng)ٸ׃ԣ{ϵy(tng)Ͷ벢ϵy(tng)ĽЧ@
һƪ
{ϵy(tng)Ĺ(ji)܃(yu)c
һƪ
{(ji)ܳɞ鹫(ji)c췽